전체메뉴 닫기

자동밸브

본문

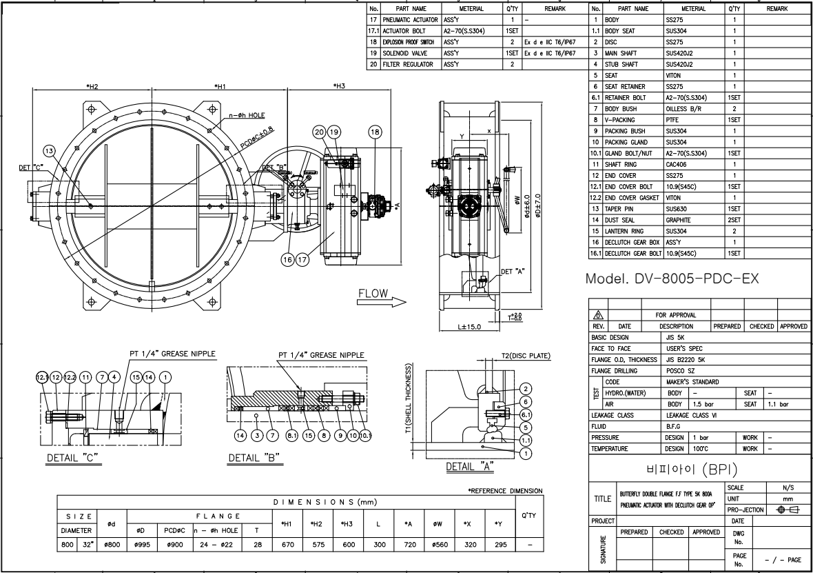
제관형 버터플라이밸브

- 제관 타입으로 제작, Butterfly Valve 형식
- 고온에 적용 하거나 가스 등의 유체에 적합함
  • Model

    DV Serise

  • Size

    50A-1500A

  • Flange Rating

    KS/JIS 5K,10K, ANSI 150LB

  • ST'D Material

    Body-SS275/SS400, Disc-SS275/SS400, Seat-N/A,VITON

상세설명


비피아이(BPI)

ADD. 전라남도 광양시 중동 2길 25
T. 061-794-5800 F. 061-794-5801 E. bpi2023@naver.com

COPYRIGHT(C) 2025 BPI. ALL RIGHTS RESERVED.